尚圃股份有限公司
0 聯絡我們

ZRSH

  • 高覆蓋強度和焊接耐久性
  • 平衡彈簧設計,延長使用壽命
  • 穩定平衡的接觸端子
  • IPX7 防水等級
  • 應用:工業控制面板、消費性電子產品、汽車系統
  • 基本規格
  • 接點迴路 SMT, DIP
  • 額定電壓電流 100mA, 50VDC MAX.
  • 機械壽命 (without load):10,000 steps.
  • 防護等級 IPX7

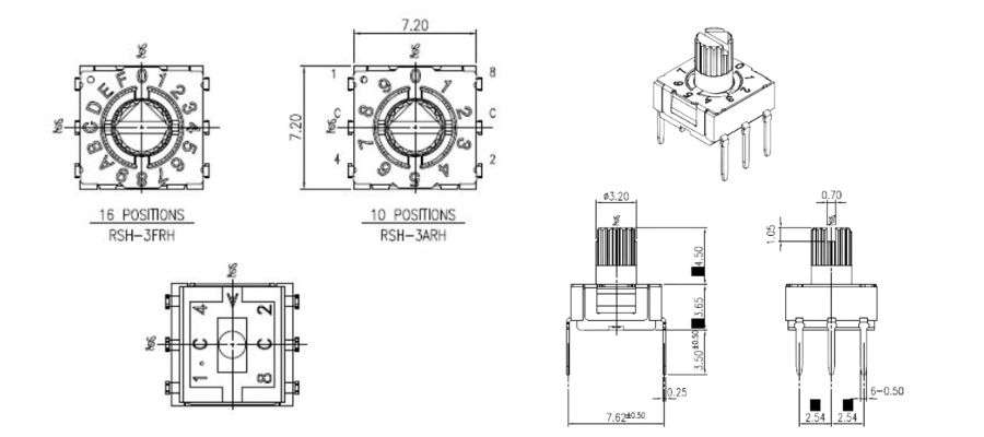
ZRSH-1-尺寸圖

Q:ZRSH 系列為何適合惡劣環境?
答:其 IPX7 防水等級和堅固的外殼設計確保其在嚴苛條件下的耐用性。

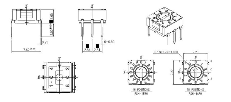
ZRSH-2-尺寸圖

Q:ZRSH 開關的機械壽命是多久?
答:這些開關的額定空載步數高達 10,000。

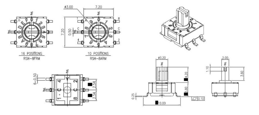
ZRSH-3-尺寸圖

Q:ZRSH 系列可以根據特定應用進行客製化嗎?
答:可議,尚圃提供尺寸和接點配置的客製化服務。

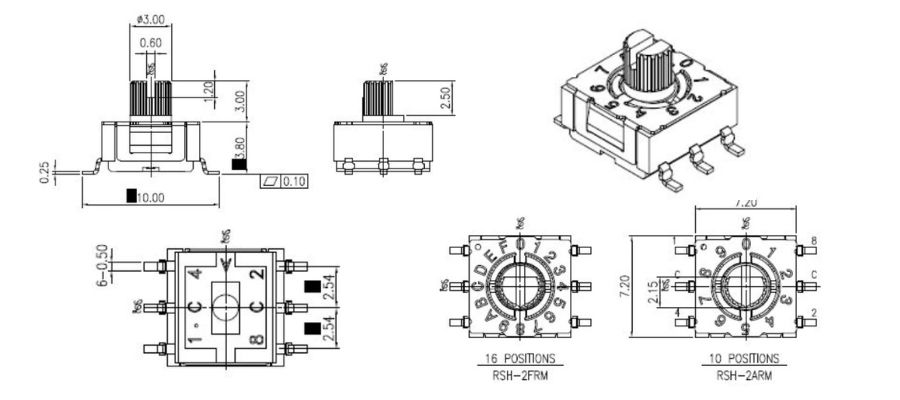
ZRSH-8-尺寸圖

Q:ZRSH 系列採用哪些材質以確保耐用性?
A:開關採用高強度塑膠外殼和鍍錫端子,以增強機械完整性並防止焊錫污染。

ZRSH-接點配置 & PCB Layout

Q:ZRSH 系列如何處理碎屑侵入?
A:採用墊片設計,可阻擋異物顆粒,提高在多塵或工業環境的可靠性。

下載

go top

很抱歉,本網頁不支援IE瀏覽器
請改用其他瀏覽器