尚圃股份有限公司
0 聯絡我們

SF66BD 防水蜂鳴器警報器

  • 三合一緊急停止警報開關
  • IP65防水、防誤觸設計
  • LED狀態指示燈清晰易讀
  • 聲音警報提升工作場所安全性
  • 應用:工業設備、食品機械
  • 基本規格
  • 接點迴路 DPDT-NC
  • 額定電壓電流 0.75A @ 250V AC or 1A @ 30V DC
  • 開關接腳形式 Connector
  • 開關按壓行程 Max. 4.5mm
  • 操作力道 Push to lock: 1100 gf; Pull to reset: 900 gf; Turn to reset: 1700 gf-cm
  • 機械壽命 100,000 cycles Min.
  • 防護等級 Front panel IP65
  • 照光方式 illumination
  • 聲壓 80dB(A) ± 10%
  • 材料
  • 上蓋/透鏡 Polycarbonate (PC)
  • 底座/外框 Polycarbonate (PC)
  • 端子 Brass with plating

SF66BD 防水蜂鳴器警報器是什麼?

尚圃的SF66BD緊急停止開關整合LED指示燈照明、80分貝蜂鳴器警報、防誤觸高牆於一體。環狀指示燈可設定LED燈色及照明狀態(如常亮、閃爍、旋轉),兼具視覺聽覺警示,IP65防水等級,耐用安全可靠。

SF66BD 防水蜂鳴器警報器的接點配置

SF66BD緊急停止開關帶蜂鳴器警報器,開關帶有電子線材不用另外接,共有 8 個端子,請按照下圖連接並設定您的設備。

SF66BD 防水蜂鳴器警報器的尺寸

SF66BD的安裝孔徑為66mm,外徑為90mm,含蜂鳴器和不含蜂鳴器的型號尺寸皆相同。另有防誤觸邊框的款式。

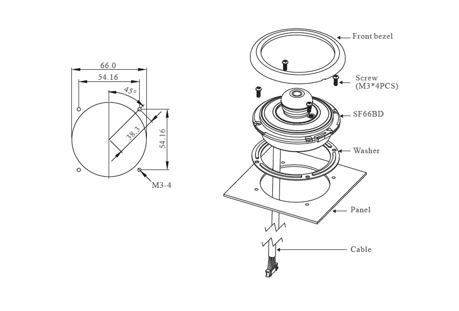
SF66BD 防水蜂鳴器警報器的面板開孔大小及安裝指示

SF66BD是面板上IP65防水等級的三合一緊急停止開關,結合環形指示燈照明和蜂鳴器警報功能,面板開孔直徑為66mm,請按照下圖進行安裝。

下載

go top

很抱歉,本網頁不支援IE瀏覽器
請改用其他瀏覽器