尚圃股份有限公司
0 聯絡我們

SF30BD

  • 模組化六鍵導航開關,面板安裝直徑 30 mm,鋁合金外殼設計,具備高耐用性與專業質感。
  • 前端防護達 IP67 等級,適用於多種嚴苛工業環境,如控制箱、機械設備或戶外面板。
  • 快速接線模組設計,減少安裝時間並方便維護升級,對設備整合需求具備友善特性。
  • 應用介紹:在工業控制面板中,SF30BD 系列可作為主控導航鍵模組,協助操作人員快速切換功能或進行系統設定。
  • 基本規格
  • 接點迴路 SPST*6 Momentary
  • 額定電壓電流 50mA @ 12V DC
  • 開關接腳形式 Connector
  • 開關按壓行程 0.5 mm ±0.3mm
  • 操作力道 Center 250gf±100gf, outside 400gf±150gf
  • 機械壽命 200,000 cycles Min.
  • 防護等級 IP67
  • 照光方式 pervious to light
  • 材料
  • 上蓋/透鏡 PC(Polycarbonate)
  • 作動鈕 Silicone
  • 底座/外框 Aluminum alloy
  • 端子 Brass with plating

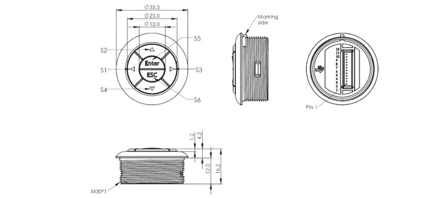
SF30BD尺寸外觀及面板開孔尺寸圖- 6鍵導航LED背光觸覺開關

Q:為什麼 SF30BD 系列採用面板直徑 30 mm 的安裝尺寸以及模組化六鍵布局,在設計上對控制面板而言是什麼優勢?
A:SF30BD 系列採用 30 mm 面板安裝直徑,使其與常用工控面板孔尺寸相容,可大幅簡化機箱開孔作業、降低替換成本。此外模組化六鍵布局整合導航鍵、確認鍵與方向鍵於一體,不僅節省面板空間,也優化操作流程。六鍵導航設計配合 LED 背光與觸覺反饋,提供使用者出色的人機互動體驗,特別適合複雜設備或儀控界面。

SF30BD接點配置

Q:在 SF30BD 系列中,面板外觀與機身材質選擇為何?這對使用者與設備設計意味著什麼?
A:SF30BD 系列機身採鋁合金結構,面板蓋片為 PC(聚碳酸酯)材質,搭配矽膠導光體與鏡片設計。這樣的材質選擇意味著結構堅固、耐衝擊、防腐蝕,同時具備良好外觀質感。對設計者而言,可提升設備外觀檔次並且在工業環境中具備長時間可靠運行能力,減少維修與更換頻率。

SF30BD安裝指引 & 選配線材

Q:SF30BD 系列模組化快速接線設計,對安裝與維護有何具體好處?
A:SF30BD 系列採模組化快速接線端子設計,使得在設備安裝時可快速插拔模組,縮短安裝時間與現場調試流程。維護或模組更換時,不需拆卸整個面板,只需更換模組即可,減少停機時間及維修成本。對於設備升級或批量產線更換需求而言,此設計大幅提升效率與可維護性。

下載

樣品訂購

  • 系列
  • 料號
  • 說明
  • YCW024 for SF30BD wire
    • YCW024 線材 適用於SF30BD開關模組
    • 12條線長度300mm
    • 連接器導體間距 1.25mm
    • 連接器導體尺寸 0.3mm*0.3mm
  • TWD 180
    - +
  • SF30BD1051
    • IP65 前面板防塵防水
    • 6-key 輕觸開關,面板安裝模組
    • 鋁合金本色外框
    • 中間帽蓋圖案 "Enter" / "ESC"
    • 紅色LED背光
    • 不含線材YCW024
  • TWD 1,100
    - +
  • SF30BD1051+YCW024
    • IP65 前面板防塵防水
    • 6-key 輕觸開關,面板安裝模組
    • 鋁合金本色外框
    • 中間帽蓋圖案 "Enter" / "ESC"
    • 紅色LED背光
    • YCW024 線材, 長度L:300mm
  • TWD 1,280
    - +

*下單後專員會聯繫您告知出貨日期,請留意信箱。
* 歐盟客戶請提供EORI號碼。
*顏色以實物為準。
*樣品訂單用於評估,如需大量請聯絡銷售代表。
* 所有產品均符合RoHs和REACH
*2007年獲得ISO 9001認證。
*2023年獲得ISO 14001認證。

go top

很抱歉,本網頁不支援IE瀏覽器
請改用其他瀏覽器