尚圃股份有限公司
0 聯絡我們

SF25BB 電容式感應觸控開關

  • 電容式照光觸控感應開關
  • NPN 輸出型
  • IP65 防塵防水等級
  • SUS 防破壞外殼
  • 應用:儀器儀表、智慧家居
  • 基本規格
  • 接點迴路 NPN(Sink) output Momentary or Alternate
  • 開關接腳形式 Connector
  • 防護等級 IP65
  • 照光方式 RGB LED
  • 材料
  • 上蓋/透鏡 SUS or Polycarbonate (PC)
  • 底座/外框 Housing: SUS
  • 端子 Connector

SF25BB 電容式感應觸控開關是什麼?

SF25BB內建RGB LED燈,可設定不同的LED燈光顏色和模式來顯示設備目前的狀態,例如待機或觸發狀態。 面板上IP65防塵防水等級。適用於工控設備、醫療設備。

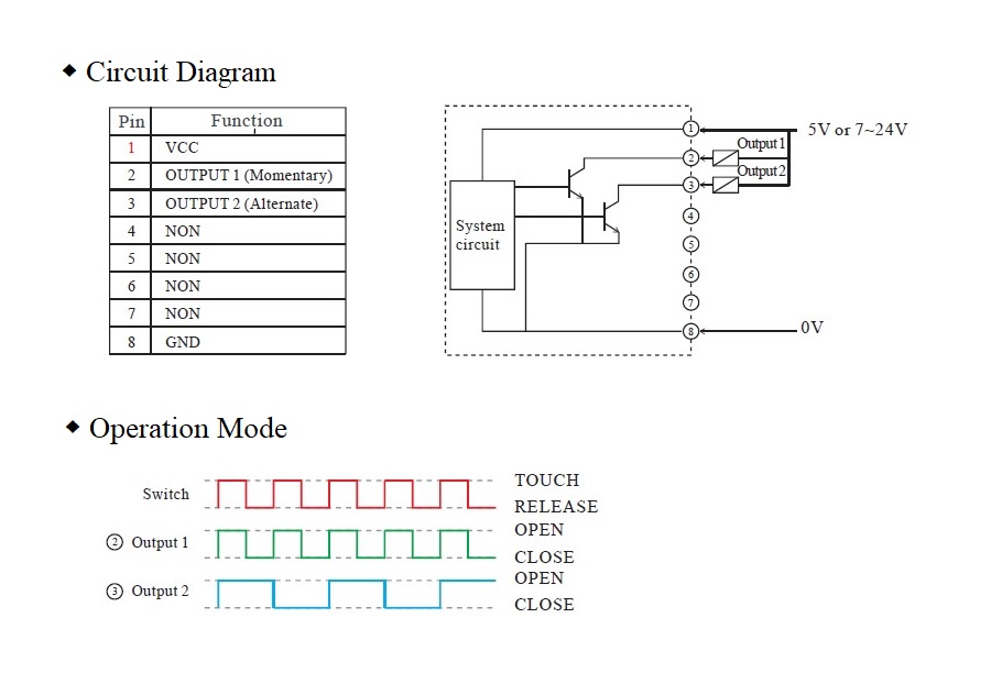
SF25BB 電容式感應觸控開關的電路

SF25BB開關操作電壓有兩種選擇:5V DC 或7~24V DC

SF25BB 電容式感應觸控開關的尺寸

SF25BB採用SUS不鏽鋼抗破壞外殼,搭配M25螺紋,堅固耐用。有兩種上蓋可選,一種是圓形全照光,另一種是帶有電源符號的上蓋。

SF25BB 電容式感應觸控開關的面板開孔大小&安裝指示及選配商品 - 專用線材

設備面板厚度為1.5mm至4mm,開孔直徑為25mm,將其放入並用螺母栓緊,並使用專用線材插入設備做設定。

下載

樣品訂購

  • 系列
  • 料號
  • 說明
  • SF25BBB1MC15A+YCW014
    • 電容式感應觸控開關 5V DC
    • 電源和環形符號照光
    • 待機:紅燈
    • 觸發:綠燈 (無鎖-放開則回復待機狀態)
    • 附YCW014線材 (長度300mm)
  • TWD 1,710
    - +
  • SF25BBB1AB75B+YCW014
    • 電容式感應觸控開關 7~24V DC
    • 電源和環形符號照光
    • 待機:藍燈
    • 觸發:綠燈 (有鎖-放開依舊處於觸發狀態)
    • 附YCW014線材 (長度300mm)
  • TWD 1,710
    - +
  • SF25BBB2MA07A+YCW014
    • 電容式感應觸控開關 5V DC
    • 整面照光,無透光符號
    • 待機:無燈
    • 觸發:藍燈 (無鎖-放開則回復待機狀態)
    • 附YCW014線材 (長度300mm)
  • TWD 1,660
    - +

*下單後專員會聯繫您告知出貨日期,請留意信箱。
* 歐盟客戶請提供EORI號碼。
*顏色以實物為準。
*樣品訂單用於評估,如需大量請聯絡銷售代表。
* 所有產品均符合RoHs和REACH
*2007年獲得ISO 9001認證。
*2023年獲得ISO 14001認證。

go top

很抱歉,本網頁不支援IE瀏覽器
請改用其他瀏覽器