尚圃股份有限公司
0 お問い合わせ

SF66BD 防水警報ブザー 防水蜂鳴器警報器

  • IP65防水型緊急停止スイッチ(ブザーアラーム付き)
  • 誤操作防止設計
  • 見やすいLEDステータス表示
  • 音声アラートで職場の安全性を向上
  • 用途:産業機器、医療機器
  • 仕様
  • 回路/接点 DPDT-NC
  • 定格電圧.電流 0.75A @ 250V AC or 1A @ 30V DC
  • ピン Connector
  • 動作限度 Max. 4.5mm
  • 操作力 Push to lock: 1100 gf; Pull to reset: 900 gf; Turn to reset: 1700 gf-cm
  • 機械的寿命 100,000 cycles Min.
  • フロントプロテクション Front panel IP65
  • 照光方式 illumination
  • Sound pressure level 80dB(A) ± 10%
  • 材料
  • キャップ/レンズ Polycarbonate (PC)
  • ベース/ハウジング Polycarbonate (PC)
  • 端子 Connector

SF66BD 防水警報ブザーとは何ですか?

SHANPUのSF66BD緊急停止スイッチは、RGB LEDイルミネーション、80dBブザーアラーム、IP65フロントパネル保護等級を備えています。CNC工作機械、産業機器、医療システム向けに設計されており、プッシュ・トゥ・ロック機能とリセット機能により信頼性の高い安全性を確保します。

SF66BD 防水警報ブザー の 連絡先の設定

SF66BD ブザーアラーム付き非常停止スイッチには、下から直接ワイヤーが出ており、合計 8 本のピンがあります。以下の図に従ってデバイスを接続および設定してください。

SF66BD 防水警報ブザー の 寸法

SF66BDの取付穴径は66mm、外径は90mmです。ブザー付きとブザーなしは同サイズです。誤タッチ防止フレーム付きのタイプもございます。

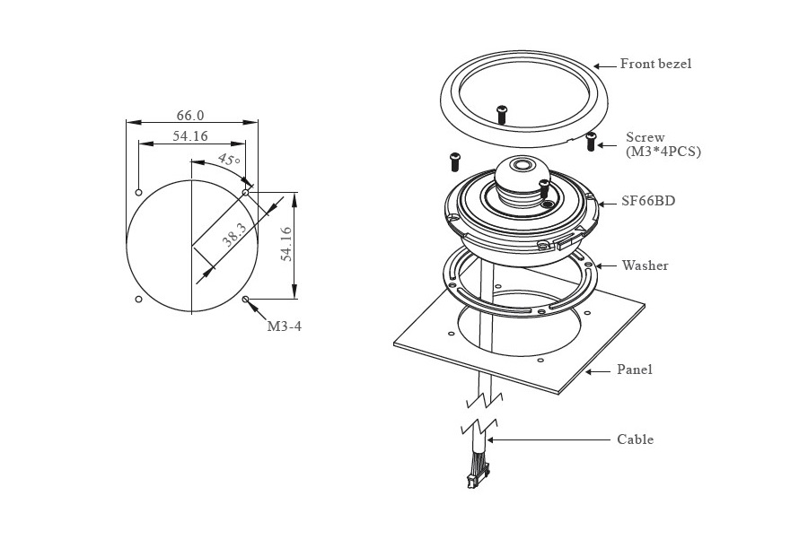
SF66BD 防水警報ブザー の パネル開口部サイズ & インストール手順

SF66BD は、リング照明とブザーアラームを備えた IP65 緊急停止スイッチです。パネルカット径は 66 mm です。取り付けるには下の図に従ってください。

ダウンロード

go top

很抱歉,本網頁不支援IE瀏覽器
請改用其他瀏覽器