尚圃股份有限公司
0 お問い合わせ

SF66BA 多機能押しボタンスイッチ 多向按壓按鈕開關

  • パネル開口部 Ø66.0mm
  • 9ウェイキーレスエントリー
  • 前面保護等級 IP65
  • SPI通信インターフェース
  • 青色LEDバックライト
  • カスタマイズ可能なマーキング
  • 産業用途:公共施設、CNC工作機械、各種工作機械
  • 仕様
  • 回路/接点 9 tactile switch and 9 LED by SPI (Serial Peripheral Interface) interface
  • 定格電圧.電流 Digital signal
  • ピン Connector
  • 動作限度 1.0mm ± 0.5mm
  • 機械的寿命 200,000 cycles min.
  • フロントプロテクション IP65
  • 照光方式 Blue LED
  • 材料
  • キャップ/レンズ PC (Polycarbonate)
  • ステム/リフレクター Silicone
  • ベース/ハウジング PC (Polycarbonate)
  • 端子 Connector

SF66BA 多機能押しボタンスイッチ の設計はユーザーにとってどのように役立ちますか?

SF66BA多方向プッシュボタンスイッチは、9つのキーを集中配置した設計、SPI通信インターフェース、LEDバックライトを備え、ユーザーの効率性と操作性を向上させます。パネル取り付け構造により全体的な安定性が向上し、カスタムレーザー刻印されたグラフィックによりボタンの識別が容易になり、誤操作のリスクを軽減します。これらの設計により、ファンクションキーを素早く見つけることができ、操作精度が向上し、様々な照明環境下でも良好な視認性を維持できるため、産業オートメーション、ヒューマンマシンインターフェース、補助機器などに最適です。

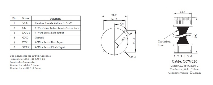
SF66BA 多機能押しボタンスイッチ の 連絡先の設定 & パネル開口部サイズ

SF66BA多方向プッシュボタンスイッチは、6ピンの接点構成を備え、VCC、CS、DOUT、GND、DIN、SCLKを介して完全な4線式SPI通信アーキテクチャを形成します。これにより、安定したシーケンシャルデータ入出力が可能になり、さまざまなマイクロコントローラやHMIシステムへの統合が容易になります。明確なピン定義により、配線ミスを効果的に削減し、開発効率を向上させます。仕様面では、SF66BAは標準的なØ66mmのパネルカットアウトサイズと取り付け穴設計を採用しており、産業用制御機器、医療機器、スマートコントロールパネルへの迅速な設置が可能で、構造的な安定性と操作性を確保します。

ダウンロード

go top

很抱歉,本網頁不支援IE瀏覽器
請改用其他瀏覽器