尚圃股份有限公司
0 お問い合わせ

SF25BB

  • 静電容量式照光タッチスイッチ
  • NPN出力タイプ
  • SUS製耐衝撃ハウジング
  • IP65防塵・防水等級
  • 用途:産業機器、計測機器
  • 仕様
  • 回路/接点 NPN(Sink) output Momentary or Alternate
  • ピン Connector
  • フロントプロテクション IP65
  • 照光方式 RGB LED
  • 材料
  • キャップ/レンズ SUS or Polycarbonate (PC)
  • ベース/ハウジング Housing: SUS
  • 端子 Connector

SF25BB 照光静電容量スイッチとは何ですか?

SF25BBはRGB LEDを内蔵しており、スタンバイモードやアクティブモードなど、デバイスの現在の状態に応じてLEDの色やモードを設定できます。パネルはIP65の防塵・防水性能を備えており、産業用制御機器や医療機器に最適です。

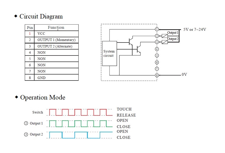
SF25BB 照光静電容量スイッチ の 回路

このSF25BBスイッチの動作電圧は、5V DCまたは7~24V DCの2種類から選択できます。

SF25BB 照光静電容量スイッチ の 寸法

SF25BBは、耐久性に優れたM25ネジを備えた耐衝撃性SUSステンレス鋼製の筐体を採用しています。トップカバーは、丸型で全面発光するカバーと、電源マーク付きのカバーの2種類をご用意しています。

SF25BB 照光静電容量スイッチ の パネル開口部サイズ & オプション品 - 専用ケーブル

デバイスパネルの厚さは1.5mm~4mm、開口径は25mmです。パネルを差し込み、ナットで締め付けた後、専用ケーブルでデバイスを挿入して設定します。

ダウンロード

go top

很抱歉,本網頁不支援IE瀏覽器
請改用其他瀏覽器