Shanpu
0 Contact

ZLS67 LED Illuminated Tactile Switch

  • Short-travel tactile pushbutton
  • Multi-color RGB LED
  • Various cap shapes
  • Right-angle or vertical configuration
  • Application: AV gear, automation equipment
  • General Specifications
  • Circuit/Contacts SPST (push ON)
  • Switching rating 12V DC @ 50mA
  • Terminal Through hole (TH)
  • Total travel 0.2mm ± 0.1mm
  • Operating force 160gf ± 50gf
  • Mechanical life 500,000 cycles min.
  • Illumination RGB illuminated
  • Materials
  • Cap/Lens PC (Polycarbonate)
  • Stem/Reflector PA (Polyamide)
  • Base/Housing PA (Polyamide)
  • Terminal Brass with silver plated over nickel under plating

Is RGB LED integrated in ZLS67 LED illuminated tactile switch?

RGB LED is embedded for visual clarity. Combined with momentary tactile function, multiple caps and right-angle or vertical types, it suits switcher, synthesizers and professional automation equipment.

Dimension for ZLS67 LED illuminated tactile switch with 6 smart cap.

The ZLS67 switch supports SHANPU YCB010 adapter and can matched with 6 smart caps for flexible applications in pro audio and electronics. There are two terminal types, right-angle and vertical.

Dimension for ZLS67 LED illuminated tactile switch with 9 smart cap

The ZLS67 switch supports SHANPU YCB012 adapter and can matched with 9 smart caps for flexible applications in pro audio and electronics. There are two terminal types, right-angle and vertical.

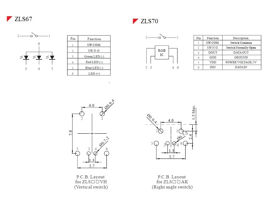
Contact configuration & PCB layout for ZLS67 LED illuminated tactile switch.

SHANPU's ZLS67 tact switch is a mechanical contact, illuminated switch with RGB LED, please follow the contact circuit and configuration below.

Video

Download

Sample Order

  • Module
  • Part No
  • Description
  • ZLS67VH-PBR-A-R2TA0
    • LED illuminated tactile switch
    • Vertical type
    • Ice cap
    • w/o symbol
    • Tri-Color (RGB) LEDs
  • TWD 95
    - +
  • ZLS67VH-PBR-A-R2SA1
    • LED illuminated tactile switch
    • Vertical type
    • Silver cap
    • Power symbol
    • Tri-Color (RGB) LEDs
  • TWD 115
    - +
  • ZLS67VH-PBR-A-R2KA9
    • LED illuminated tactile switch
    • Vertical type
    • Black cap
    • Ring symbol
    • Tri-Color (RGB) LEDs
  • TWD 115
    - +
  • ZLS67AK-PBR-A-R2TA0
    • LED illuminated tactile switch
    • Right angle type
    • Ice cap
    • w/o symbol
    • Tri-Color (RGB) LEDs
  • TWD 95
    - +
  • ZLS67AK-PBR-A-R2SA1
    • LED illuminated tactile switch
    • Right angle type
    • Silver cap
    • Power symbol
    • Tri-Color (RGB) LEDs
  • TWD 115
    - +
  • ZLS67AK-PBR-A-R2KA9
    • LED illuminated tactile switch
    • Right angle type
    • Black cap
    • Ring symbol
    • Tri-Color (RGB) LEDs
  • TWD 115
    - +

*After placing the order, a specialist will contact you to inform you of the shipping date, please pay attention to your mailbox.
*EU customers please provide EORI number.
*The color is subject to the actual product.
*Sample orders are for evaluation, please contact sales representative for larger quantities.
*All products comply with RoHs and REACH.
*Obtained ISO 9001 certification in 2007.
*Obtained ISO 14001 certification in 2023.

go top

很抱歉,本網頁不支援IE瀏覽器
請改用其他瀏覽器