Shanpu
0 Contact

SPDD Tactile Switch

  • Low total high tactile switch design
  • Surface mount device (SMD) terminal type.
  • Full RGB color light
  • Wide rectangular actuator: 10x26mm and 12x26mm
  • Application: media, broadcasting devices
  • General Specifications
  • Circuit/Contacts SPST (push ON)
  • Switching rating 12V DC @ 50mA
  • Terminal Surface Mounting Divice (SMD)
  • Total travel 0.3mm ± 0.1mm
  • Operating force 400gf ± 100gf
  • Mechanical life 200,000 cycles min.
  • Illumination RGB illuminated
  • Materials
  • Cap/Lens PC (Polycarbonate)
  • Stem/Reflector PA (Polyamide)
  • Base/Housing PA (Polyamide)
  • Terminal CCL (Copper Clad Laminate) with gold plating

What are the main features of SHANPU SPDD tactile switch?

SPDD tactile switch provides low profile design, SMD installation, RGB LED lighting, and wide actuator buttons, supporting robotics, security, broadcasting, and automation devices.

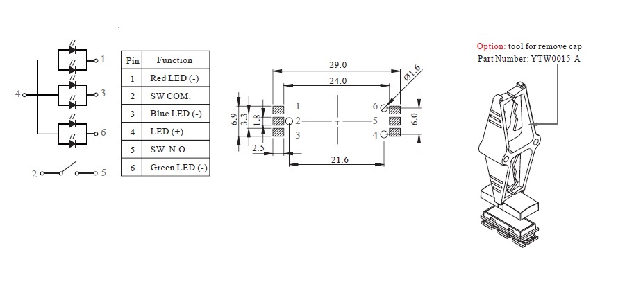
Contact configuration & PCB layout for SPDD tactile switch.

SHANPU's SPDD tact switch is a mechanical contact, illuminated switch with RGB LED, please follow the contact circuit and configuration below.

Video

Download

Sample Order

  • Module
  • Part No
  • Description
  • SPDDC9AAT
    • Tactile switch
    • 10*26 convex
    • Transparent cap
    • RGB LED
  • TWD 145
    - +
  • SPDDC9BAT
    • Tactile switch
    • 12*26 convex
    • Transparent cap
    • RGB LED
  • TWD 145
    - +

*After placing the order, a specialist will contact you to inform you of the shipping date, please pay attention to your mailbox.
*EU customers please provide EORI number.
*The color is subject to the actual product.
*Sample orders are for evaluation, please contact sales representative for larger quantities.
*All products comply with RoHs and REACH.
*Obtained ISO 9001 certification in 2007.
*Obtained ISO 14001 certification in 2023.

go top

很抱歉,本網頁不支援IE瀏覽器
請改用其他瀏覽器