Shanpu
0 Contact

SF66BA Multiway Push Button Switch

  • Cut diameter Ø66.0mm
  • 9-position navigation keys
  • IP65 front protection
  • SPI communication
  • Blue illuminated
  • Custom markings available
  • Application: public building and CNC machine tool
  • General Specifications
  • Circuit/Contacts 9 tactile switch and 9 LED by SPI (Serial Peripheral Interface) interface
  • Switching rating Digital signal
  • Terminal Connector
  • Total travel 1.0mm ± 0.5mm
  • Operating force -
  • Mechanical life 200,000 cycles min.
  • Front protection IP65
  • Illumination Blue LED
  • Materials
  • Cap/Lens PC (Polycarbonate)
  • Stem/Reflector Silicone
  • Base/Housing PC (Polycarbonate)
  • Terminal Brass with plating

How does the SF66BA multiway push button switch design help users?

The SF66BA’s 9-key navigation switch delivers intuitive multi-directional input, perfect for robotics, CNC machines, assistive technology devices, and smart industrial automation environments.

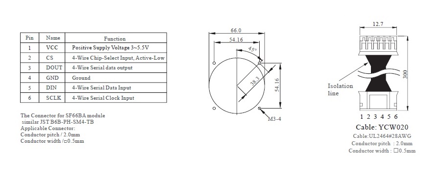
Contact configuration and panel cutting for SF66BA multiway push button switch.

SF66BA’s 9-key navigation layout and LED indicators provide intuitive control, simplifying operations in CNC, robotic and medical automation systems worldwide.

Download

Sample Order

  • Module
  • Part No
  • Description
  • SF66BA75-L001
    • Multiway push button switch
    • Panel cutting dia. 66mm
    • Front panel IP65
    • SPI communication interface
    • Blue LED illuminated
  • TWD 2,430
    - +
  • SF66BA75-L001 + YCW020
    • Multiway push button switch
    • Panel cutting dia. 66mm
    • Front panel IP65
    • SPI communication interface
    • Blue LED illuminated
    • YCW020 wire, 6 line, 28AWG, L=30cm
  • TWD 2,690
    - +
  • YCW020
    • Wire for SF66BA multiway push button switch
    • Wire pitch 2.0mm, 6 line, 28AWG, L=30cm
  • TWD 260
    - +

*After placing the order, a specialist will contact you to inform you of the shipping date, please pay attention to your mailbox.
*EU customers please provide EORI number.
*The color is subject to the actual product.
*Sample orders are for evaluation, please contact sales representative for larger quantities.
* All products comply with RoHs and REACH
*Obtained ISO 9001 certification in 2007.
*Obtained ISO 14001 certification in 2023.

go top

很抱歉,本網頁不支援IE瀏覽器
請改用其他瀏覽器