Shanpu
0 Contact

SBA LED Indicator

  • Ring type indicator with 24 LED
  • Addressable RGB+IC LED reduce wiring
  • Distinct illuminated and diffusion illuminated
  • Customized patterns to suit various equipment applications
  • Application: audio mixing console, robot, 3C
  • General Specifications
  • Circuit/Contacts Single LED / RGB + IC LED
  • Terminal Through Hole (TH)
  • Illumination Single LED, RGB + IC LED
  • Materials
  • Cap/Lens Polyamide (PA)
  • Stem/Reflector Polycarbonate (PC)
  • Terminal Brass with gold plating

What’s SBA LED Indicator?

SHANPU’s SBA is ring type indicator with 24 LED light, hollow design allows for potentiometer, or variable resistor (VR), or rotary encoder to be placed for use. There are nine printing styles, and customized services are also available.

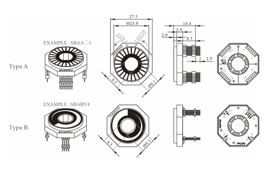
Dimension for SBA LED Indicator

Type A is distinct illuminated indicator, applicable to electronic devices that need to clearly display the functional status of each grid.
Type B is diffusion illuminated indicator, suitable for increasing or decreasing the adjustment of continuous functions, such as volume or air flow.

Single LED PCB layout & circuit diagram for SBA LED Indicator

SBA indicator has 24pcs LED, single LED color type total has 28 pins, please see below diagram to use.

Addressable RGB IC LED PCB layout & circuit diagram for SBA LED Indicator

SBA indicator has 24pcs LED, there are RGB+IC LED inside, feature is addressable and reduce wiring, please see below diagram to use.

Video

Download

Sample Order

  • Module
  • Part No
  • Description
  • SBAAV1
    • LED Indicator
    • Addressable RGB IC LED
    • Type A & Separate lighting marking
    • Made by order no stock, average lead time 2 to 4 weeks after received the payment
  • TWD 600
    - +
  • SBABV4
    • LED Indicator
    • Addressable RGB IC LED
    • Type B & Gradual illuminating marking
    • Made by order no stock, average lead time 2 to 4 weeks after received the payment
  • TWD 600
    - +

*After placing the order, a specialist will contact you to inform you of the shipping date, please pay attention to your mailbox.
*EU customers please provide EORI number.
*The color is subject to the actual product.
*Sample orders are for evaluation, please contact sales representative for larger quantities.
*All products comply with RoHs and REACH.
*Obtained ISO 9001 certification in 2007.
*Obtained ISO 14001 certification in 2023.

go top

很抱歉,本網頁不支援IE瀏覽器
請改用其他瀏覽器